- Úvod
- MĚNIČE FREKVENCE
- YASKAWA A1000
- YASKAWA A1000, měnič frekvence 18.5kW, typ CIMR-AC4A0044FAA
YASKAWA A1000, měnič frekvence 18.5kW, typ CIMR-AC4A0044FAA
- Akce

- Kompletní specifikace
- Parametry
- Ke stažení
- Související zboží1
YASKAWA A1000, měnič frekvence 18.5kW, typ CIMR-AC4A0044FAAnení skladem - kontaktujte nás64 214,70 Kč/ ks53 070,00 Kč bez DPH
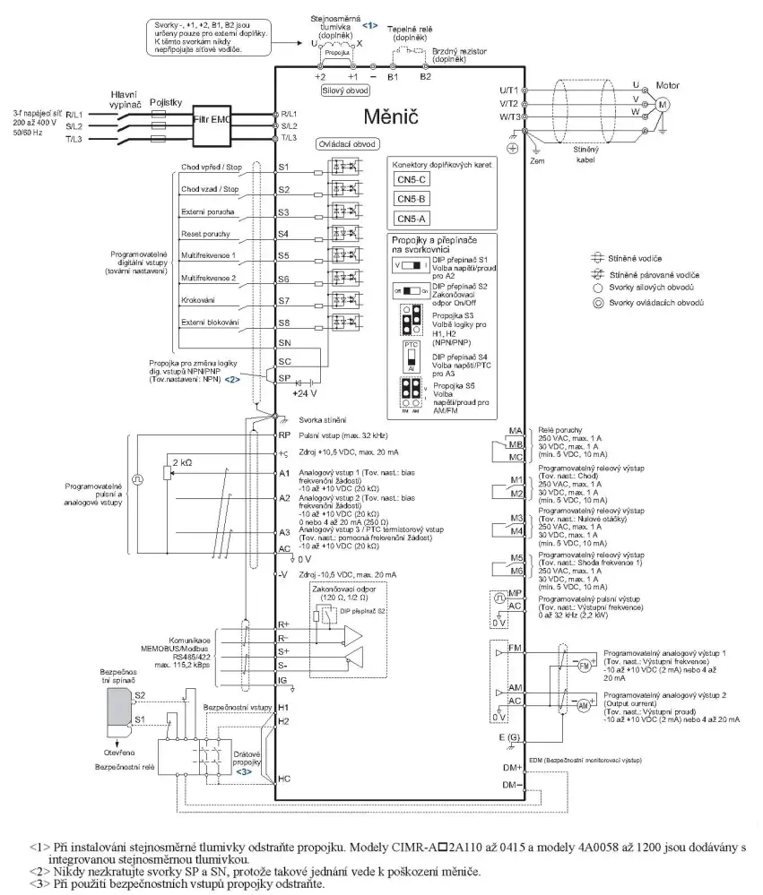
Měnič Yaskawa A1000 patří mezi špičku ve své kategorii. Tento měnič, určený k jak pohonu indukčních motorů, tak i PM motorů (v režimu bez zpětné vazby anebo se zpětnou vazbou) s plným točivým momentem při nulových otáčkách. Měnič má integrované bezpečnostní funkce bezpečného odpojení krouticího momentu (STO), což významně zvyšuje bezpečnost a spolehlivost strojů. Vynikající poměr výkonu k velikosti a montáž měničů těsně vedle sebe, zmenšují montážní prostor na minimum a to vše při dlouhé konstrukční životnosti - 10let bezúdržbového provozu. Ovládací okruhy jsou připojeny pomocí bezšroubových svorek a svorkovnice je vyjímatelná, s pamětí parametrů, umožňují rychlou a snadnou údržbu.
| Maximální výkon motoru: | 18.5 / 22kW (provoz HD / ND)** |
| Výstupní proud: | 39 / 44A (provoz HD / ND) |
| Výstupní napětí frekvenčního měniče: | 3 x 400V~ |
| Rozsah napájecího napětí: | 3 x 380 až 480 V~ |
| Výstupní kmitočet: | 0.1 až 400Hz |
| Systém řízení: | Open and Closed Loop Current Vector, |
| Open and Closed Loop V/f | |
| Doba rozběhu/doběhu: | 0.01 až 6000s / 0.01 až 6000s, lineární nebo S-křivka |
| DC brzdění: | programovatelný výkon, čas a řídící frekvence |
| Elektrické připojení: | bezšroubové svorky |
| Způsob programování: | klávesnice |
| Zobrazovač: | LCD |
| Vlastnosti analogových vstupů: | 3 vstupy pro zadávání rychlosti otáčení |
| signálem 0 až 10 V, 4 až 20 mA, 0 až 20 mA | |
| Přesnost výstupního kmitočtu | |
| zadávaného číslicově/analogově: | 0.01 / 0.1% |
| Další funkce: | 2 analogové programovatelné výstup 0 až 10 V, 4 až 20mA |
| 1 frekvenční programovatelný výstup | |
| možnost zadání až 16-ti referenčních frekvencí | |
| možnost zadání frekvence JOG | |
| 2 bezpečnostní vstupy | |
| 8 programovatelných digitálních vstupů, 14 nastavení | |
| komunikační linka RS485 / 422 (max. 115kB/s) | |
| 1 chybový reléový výstup NO + NC | |
| 3 programovatelné reléové výstupy | |
| snímnač zpětné vazby inkrementální nebo absolutní | |
| Ochrany: | krátkodobý výpadek napájení, proti přetížení, proti |
| přehřátí, podpětí, přepětí, proti zkratu | |
| Pracovní teplota: | -10 až 40°C |
| Elektrické krytí: | IP20 |
| Hmotnost: | 8.3 kg |
| Další vlastnosti: | vysoký rozběhový točivý moment (200% / 0,5 Hz) |
| regulace otáček 1500:1 Closed Loop Vector (IM, PM motory), | |
| 200:1 Open Loop Vector (IM), 100:1 Open Loop Vector (PM), | |
| přetížitelnost až 150%/1min (HD), až 120%/1min (ND), | |
| online ladění, deklarovaná desetiletá životnost, | |
| options pro průmyslové komunikace: Modbus, CC-Link, | |
| Profibus, CanOpen, DeviceNet, Lonworks, EtherNet IP | |
| ** Velké zatížení (HD) aplikace s konstantním točivým momentem. Normální zatížení (ND) aplikace s proměnným točivým momentem. |



