- Úvod
- MĚNIČE FREKVENCE
- OMRON JX - DOPRODEJ
- OMRON JX, měnič frekvence 0.75kW, typ 3G3JX-A4007-EF
OMRON JX, měnič frekvence 0.75kW, typ 3G3JX-A4007-EF

- Kompletní specifikace
- Parametry
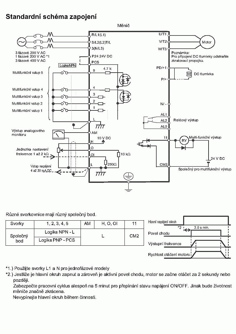
- Ke stažení
- Související zboží1
OMRON JX, měnič frekvence 0.75kW, typ 3G3JX-A4007-EFdlouhodobě nedostupné9 412,59 Kč/ ks7 779,00 Kč bez DPH
Kompletní specifikace
S vestavěným RFI filtrem a standardně integrovanou komunikací, měnič řady 3G3-JX poskytuje kompaktní a kompletní řešení na celou řadu jednoduchých aplikací, například řízení dopravníků. S novými funkcemi a řešeními šetří Váš čas a peníze.
| Maximální výkon motoru: | 0.75 kW |
| Výstupní proud: | 2.5 A |
| Výstupní napětí měniče: | 3 x 400 až 480 V~ |
| Rozsah napájecího napětí: | 3 x 380 až 480 V~ |
| Hmotnost: | 2.3 kg |
| Způsoby řízení: | sinusová pulsní modulace PWM |
| Rozsah výstupní frekvence: | 0,50 až 400,00 Hz |
| Přesnost frekvence: | digitálně nastavená hodnota: ±0,01% z fmax |
| analogově nastavená hodnota: ±0,4% z fmax | |
| Rozlišení nastavení frekvence: | digitálně nastavená hodnota: 0,1 Hz |
| analogově nastavená hodnota: 1/1000 z fmax | |
| Rozlišení výstupní frekvence: | 0,1 Hz |
| Startovací moment: | 150% / 0,5 Hz |
| Hodnota nastavení frekvence: | 0 až 10 V (20 kΩ), 4 až 20 mA (250 Ω), RS485 Modbus |
| V/f charakteristiky: | konstantní/redukovaný moment |
| Analogové vstupy: | 2x AI, 0 až 10 V (20 kΩ), 4 až 20 mA (250 Ω) |
| Časy zrychlení/zpomalení: | 0,01 až 3000 s možné i druhé zrychlení/zpomalení |
| Zobrazení: | indikátory Run, Program, Alarm, Hz, Ampéry |
| Ochrana motoru proti přetížení: | termistor PTC a elektronické tepelné relé |
| Okamžité proudové přetížení: | 180% jmenovitého proudu |
| Krátkodobá ztráta napájení: | volitelitelně: Alarm, zpomalení do zastavení, restart |
| zpomalení do zastavení s kontrolou DC sběrnice | |
| Přehřátí chladiče: | detekce chyby a zobrazování teploty |
| Prevence proti zastavení: | při zrychlování a zpomalování |
| při konstantní rychlosti | |
| Chyba uzemnění: | detekce při zapnutí napájení |
| Stupeň krytí: | IP20 |
| Vlhkost okolí: | 90% RH nebo méně (bez kondenzace) |
| Teplota skladování: | –20 °C až +65 °C (krátkodobě během transportu) |
| Teplota okolí: | –10 °C až +50 °C (redukce výstupního proudu <40 °C) |
| Instalace: | vnitřní (bez korozivních plynů, prachu....) |
| Instalační výška: | max. 1000 m |
| Vibrace: | 5,9 m/s2 (0.6 G), 10 až 55 Hz |
Parametry
VýrobceOMRON
Výstupní výkon (motor)0.75kW
Výstupní proud2.5A
Výstupní napětí3x 400 až 480V, 0.5 až 400Hz
Ke stažení
Zboží zařazeno v kategoriích



