- Úvod
- ROZVADĚČOVÉ PŘÍSTROJE
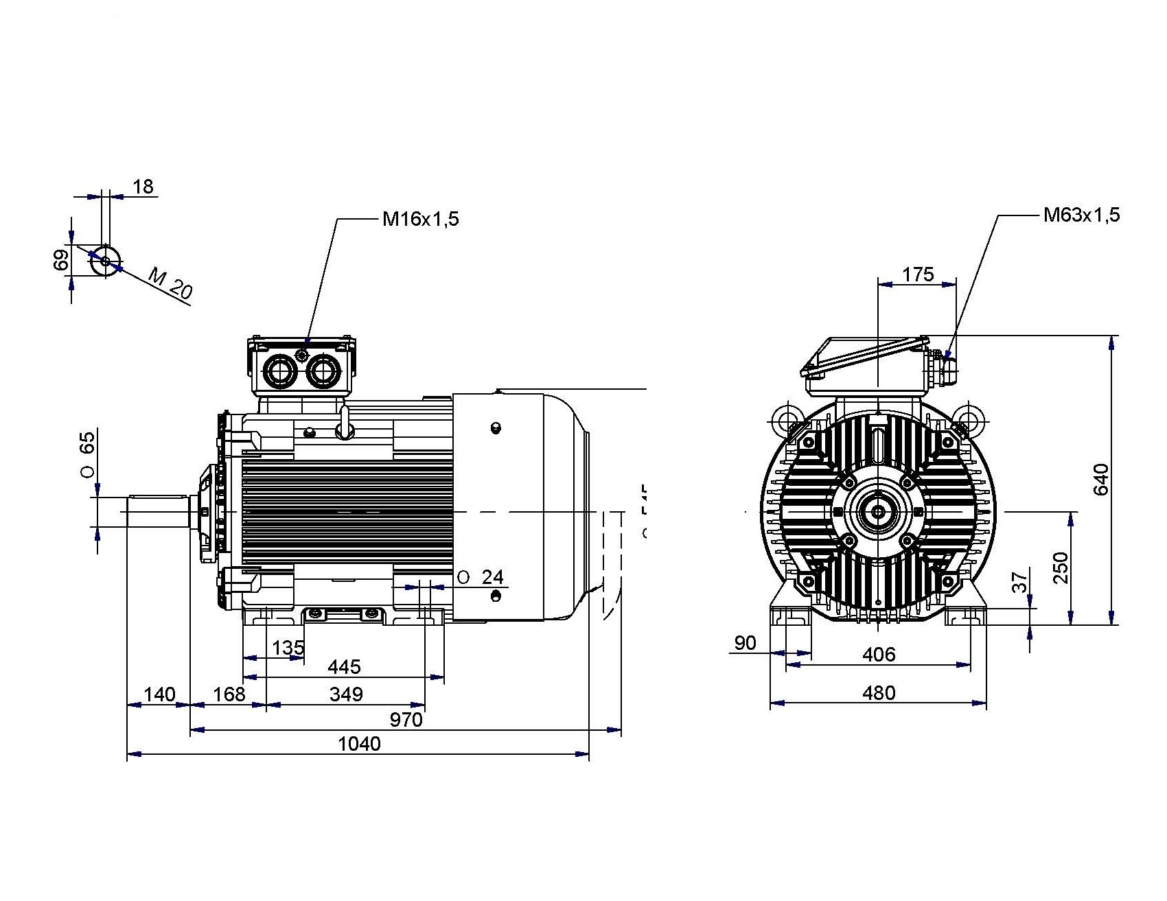
- 2SIE 250 M4 B3, elektromotor 55kW, 1482 ot./min.
2SIE 250 M4 B3, elektromotor 55kW, 1482 ot./min.

- Kompletní specifikace
- Parametry
- Ke stažení
2SIE 250 M4 B3, elektromotor 55kW, 1482 ot./min.není skladem - kontaktujte nás64 408,30 Kč/ ks53 230,00 Kč bez DPH
Kompletní specifikace
| Základní informace | |
| třída účinnosti: | IE2 |
| elektrické krytí: | IP55 |
| třída izolace: | F |
| typ provozu: | S1 |
| velikost: | 250 |
| chlazení: | IC411 |
| standard: | PN-EN 60034-1 |
| Parametry | |
| jmenovitý výkon: | 55 kW |
| synchronní otáčky: | 1500 rpm |
| frekvence: | 50 Hz |
| jmenovité napětí: | 400 V |
| proud při jmenovitém napětí: | 94 A |
| jmenovitý výkon: | 75 HP |
| jmenovitý moment: | 354 Nm |
| počet pólů: | 4 |
| jmenovité otáčky: | 1482 rpm |
| účinnost (1/2 zátěž): | 93,2 % |
| účinnost (3/4 zátěž): | 93,7 % |
| účinnost (plná zátěž): | 93,5 % |
| učiník: | 0,9 |
| Technická data | |
| hmotnost (IMB3): | 478 kg |
| relativní vlhkost: | 95 % |
| DE ložisko: | 6315 C3 |
| NDE ložisko: | 6315 C3 |
| tepelná ochrana: | PTC |
| koncový štít: | litina |
| patky: | litina |
Parametry
VýrobceElektrim
Jmenovitý výkon55kW
Jmenovitý proud94A
Napájecí napětí, 3 fázové3x 400V 50Hz
Ke stažení
Zboží zařazeno v kategoriích

